Плиты Ду6, Ду10, Ду16, Ду20 присоединительные (переходные) для монтажа гидрораспределителей







Описание
Z является резьба NPT, это коническая
G является BSP резьба, это цилиндрическая
Резьба трубная коническая, R (BSP)Трубная коническая резьба, применяемая в конических резьбовых соединениях,а также в соединениях наружной конической резьбы с внутренней цилиндрической резьбой по ГОСТ 6357-81. Основана на резьбе BSW (англ. British Standard Whitworth) и совместима с резьбой BSP (англ. British standard pipe tapered thread), именуемаяBSPT (уплотнение достигается за счет смятия резьбы в месте резьбового соединения при ввёртывании штуцера).
Дюймовая резьба с конусностью 1:16 (угол конуса φ=3°34'48"). Угол профиля при вершине 55°.
Условное обозначение: буква R для наружной резьбы и Rc для внутренней (ГОСТ 6211-81. Основные нормы взаимозаменяемости. Резьба трубная коническая.), числовое значение номинального диаметра резьбы в дюймах (inch), буквы LH для левой резьбы. Например, резьба с номинальным диаметром 1 1/4 - обозначается как R 1 1/4.
Обозначение размера резьбы, шаги и номинальные значения наружного, среднего и внутреннего диаметров резьбы трубной конической (R), мм
Плиты код D03SPS8G-1/2 - Ду-6 в бок
Плиты код D03SPB8G-1/2 - Ду-6 в низ

Плиты код D05SPS8G-1/2 - Ду-10 в бок
Плиты код D05SPB8G-1/2 - Ду-10 в низ

Плиты код D07SPS12G-3/4 - Ду-16 в бок
Плиты код D07SPB12G-3/4 - Ду-16 в низ

Плиты монтажные гидравлические (переходные) для гидрораспределителей ВЕ6, ВЕ10, ВЕХ16, Р203 с различным условным проходом ДУ6, ДУ10, ДУ16, ДУ20.
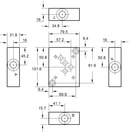
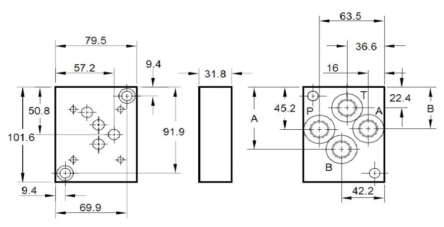
Плита переходная для гидрораспределителей с условным проходом Ду-6мм.
Плита ВЕ6-138857
Плита ВЕ6-141280
Плита В6-73-11
Плита переходная для гидрораспределителей с условным проходом Ду-10мм.
Плита ВЕ10-114756
Плита ВЕ10-114756.00
Плита ВЕ10-114756.00-01
Плита ВЕ10-114756.00-02
Плита ВЕ10-114756.00-03
Плита ВЕ10-114756.00-04
Плита ВЕ10-114756.00-05
Плита ВЕ10-114756.00-06
Плита ВЕ10-114756.00-07
Плита ВЕ10-114756.00-08
Плита ВЕ10-114756.00-09
Плита ВЕ10-114757
Плита В10 73-12
Плита переходная для гидрораспределителей с условным проходом Ду-16мм.
Плита ВЕХ16-130350,
Плита В16 73-24
Плита переходная для гидрораспределителей с условным проходом Ду-20мм.
Р202-Р-01А
Р202-Т-01
Р202-Т-02






















